Zum Hauptinhalt springen Zur Suche springen Zum Menü springen

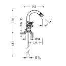
Tres Tres Clasic, Bidetbatterie, Edelstahloptik

312,48 €
inkl. 20% USt. , zzgl. Versand
Unverbindliche Preisempfehlung des Herstellers: 321,48 €
(Sie sparen 2.8%, also 9,00 €)
  • Lieferzeit: 1-2 Wochen
Stk
Andere Armaturen der Serie